2019 Spring Collaborative Product Design Internship 40623207

設計與繪圖 << Previous Next >> V-rep

Issue

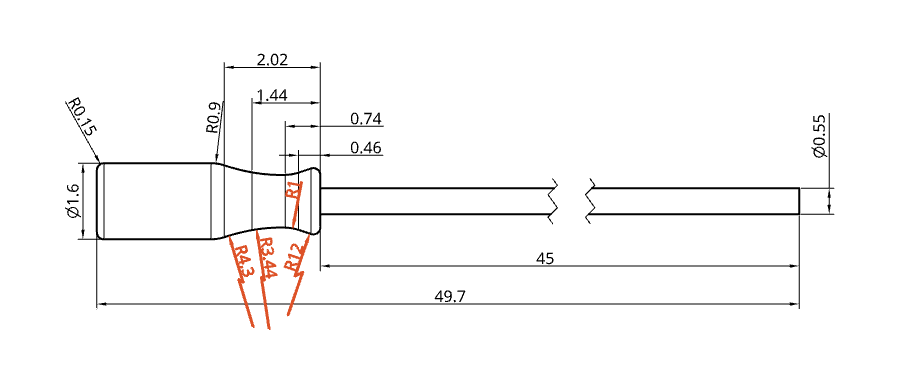
1. 標註球桿時發現組員是用雲形線繪製握把的部分,但是雲形線不方便標註,於是修改成方便標註的圓弧線

↓雲形線

 

改為圓弧線↓

2. 在標球桿的工程圖時,發現用了中斷視圖後有些標註會變紅字,但如果將問題處利用放大視圖拉出再標註後,就是正常的。

單純中斷視圖↓

利用放大試圖拉出↓


設計與繪圖 << Previous Next >> V-rep